Loadcell HPS
Revere Transducers- VPG Force Sensors
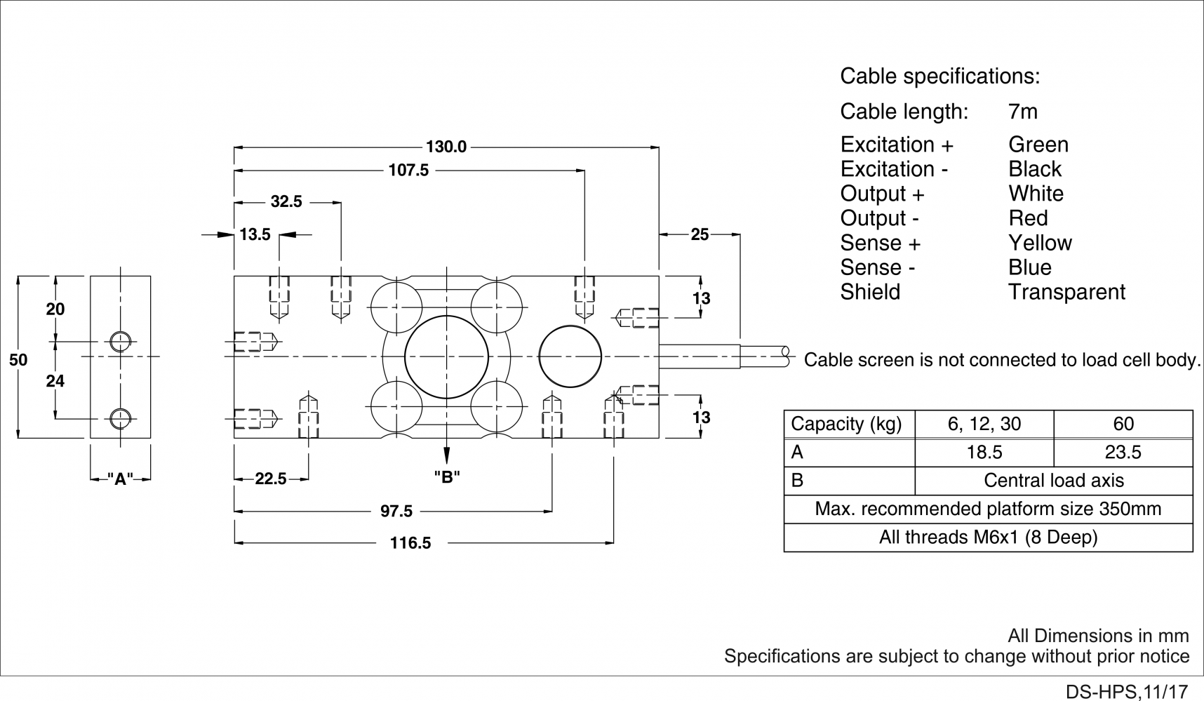
Stainless Steel Single Point Loadcell
Th e Model HPS is a unique fully welded all stainless steel single point (moment insensitive) load cell.
This product is suitable for low capacity platform scales, multi-head packaging machines, check weighers, lossin-weight feeders, belt scales, and general process weighing applications.
The unique construction ensures that this product can be used successfully in demanding environments found in the food, chemical, and allied industries.
This product meets the stringent Weights and Measures requirements throughout Europe.
Features
- Capacities: 6–60 kg
- Fully welded, stainless steel construction
- Hermetically sealed, IP66 and IP68
- Certiied to OIML R-60, 3000d
- Comprehensive mounting hole facility
- Moment insensitive, platform size to 350 x 350 mm
- Optional
- ATEX and FM certiied versions are available for use in potentially explosive atmospheres
- IP69K full hermetic construction with true glass to metal seal
Applications
- Food platforms
- Process weighing
- Multi-head packaging machines
- Marine hybrid scales
